AC双工位摇篮五轴加工中心SDSK1780YIW-2R-BT30技术规格书
深圳市精雕数控设备有限公司
地址:深圳市光明区公明街道办西田社区第三工业区29、30、31栋
电话:0755-29423909、0755-29588251
手机:13924586646 周先生(微信同号)
抖音号:SDSK20211688
公司官网:www.cncjdj.com
铝型材加工中心官网:www.szjdsk.cn
新能源汽车配件网: www.szjdsk.cn
一、机器简介:
1、SDSK1780YIW-2R-BT30机型是专门为客户量身定做的AC双工位摇篮五轴加工中心;定梁式龙门结构; 运动方式为Y轴工作台前后移动,X轴机头左右移动,Z轴主轴上下移动,工作台上配AC双工位摇篮五轴转台,A轴圆盘工作台可摆动角度±120°,2个C轴圆盘工作台可转动角度360°。
2、配TAR-250CR-2R-450-AC轴双工位摇篮五轴可完成五轴联动加工。
3、特别适用于各类钢、铜、铝、压克力、塑料等零件的精密五体体加工、高光、雕铣、钻孔、攻丝加工。


(图片仅供参考,以实物为准)
二、机器主要配置清单(单位:mm)
规 格 说 明 | 数量 | 原产地 |
西门子五轴数控系统;(带RTCP功能)(待确认) 面板: 驱动器: 驱动器:(3台) 驱动器: X/Y轴: Z轴: A轴: C1C2轴: 主轴驱动器: 电缆整套; | 全套 | 德国 |
XYZ轴用 台湾上银/银泰精密级滚柱直线导轨 (或同等级品牌) | 全套 | 台湾 |
XYZ轴用 台湾TBI/上银/银泰 精密研磨级滚珠丝杆 (或同等级品牌) | 全套 | 台湾 |
XY轴配雷尼绍光栅尺、读数头(可另选配) (或同等级品牌) | 无 | 英国 |
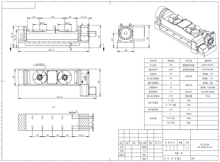
配TAR-250CR-2R-450-AC轴双工位摇篮五轴转台(另有说明书) (或同等级品牌) | 台湾 | |
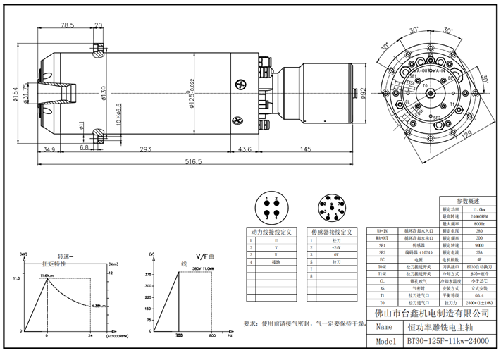
电主轴BT30-11-125-24000,气动换刀、带编码器 (备注:可选配中心出水)可另 | 1个 | 深圳 |
圆盘式刀库-16位 (安装于机器立柱左侧) | 1套 | 浙江 |
大理石(花岗岩)床身 | 1套 | 山东 |
铸铁机械零配件 | 1批 | 自制 |
配电柜恒温系统(雷德) | 1套 | 东莞 |
施耐德电气配件(施耐德) | 1批 | 天津 |
TBI/NSK/KOYO P级角接触配对轴承 (或同等级品牌) | 全套 | 进口 |
主轴水冷机 (雷德) | 1台 | 东莞 |
电子手轮(昱普) | 1套 | 广州 |
对刀仪(深圳精雕 ) | 1个 | 自制 |
X/Y/Z轴配三防布风琴罩 | 各1套 | 自制 |
X/Y/Z轴配塑料拖链(鼎泰) | 各1套 | 东莞 |
自动润滑油泵(宝腾) | 1套 | 东莞 |
空气过滤器(日本雷曼 M107-A空气过滤器) | 2套 | 浙江 |
水泵(斯纳尔) | 1套 | 常州 |
喷水装置 | 1套 | 自制 |
机床附件 | 1套 | 深圳 |
刀柄/配大小全套缩咀(三合) | 5个 | 深圳 |
三、设备主要技术参数:(单位:mm)
机型 | SDSK1780YIW-2R--HSK-40E |
外型尺寸 | 长3500*宽2680*高3500左右 |
铝工作台尺寸XY | 1700*800 (T型槽M14) |
龙门宽度 | 1760 |
主轴鼻端至台面 | 最高830~最低380 |
X/Y/Z/A/C行程 | X﹕1750 Y﹕830 Z﹕450 |
摇篮五轴盘面直径 | Φ250*2 |
盘面距离 | 450 |
工作台摆动角度 (A轴) | ±120° |
工作台转动角度 (C1C2轴) | 360° |
工作台摆动速度(A轴) | 100rpm |
工作台转动速度(C1C2轴) | 100rpm |
最大快移速度XYZ轴 | X﹕48米/分钟 Y:48米/分钟 Z:30米/分钟 |
最大加工速度 | 12米/分钟 |
伺服系统 | 交流伺服 |
系统分辨率 | 0.001 |
三轴垂直度 | 0.015mm |
整机定位精度XYZ轴 | ±0.015mm |
局布定位精度XYZ轴 | 300mm ±0.008mm |
重复定位精度XYZ轴 | 0.004mm |
定位精度(A轴) | ±5(arcsec) |
定位精度(C1C2轴) | ±5(arcsec) |
重复定位精度(A轴) | <4(arcsec) |
重复定位精度(C1C2轴) | <4(arcsec) |
电主轴数 | 1个 |
电主轴电机功率 | 11KW |
电主轴扭矩 | 11.8N.m |
圆盘式刀库 | 16位 |
换刀方式 | 自动 |
主轴转速 | 24000rpm/min |
夹持刀柄 | BT30 |
对刀方式 | 自动 |
台面承受负荷 | 1000Kg |
额定电压 | 380V/50HZ |
整机最大功率 | 25KW左右 |
整机重量 | 7000Kg左右 |
四、电主轴参数说明:

五、AC双工位摇篮五轴转台参数说明:

六、主机标准配置及附件送配件:
1. | 控制器 | 11. | 机械、电气、操作说明书1本 |
2. | 电主轴 | 12. | 刚性攻牙功能 |
3. | 自动润滑系统 | 13. | 电气箱热交换器 |
4. | 地基可调垫块 | 14. | 《操作说明书》《程序说明书》《使用说明书》 |
5. | 工具箱 | 15. | 刀柄5个(含拉钉、扳手) |
6. | 工作灯 | 16. | 锁刀座 |
7. | 警示灯 | 17. | M12马铁 |
8. | 主轴吹气装置 | 18. | |
9. | 传输线 | 19. | 锁咀 ER25(4-12) 1套 |
10. | 半封闭式护罩 | 20. | 护罩 |
七、机器环境及硬件设施要求﹕
序号 | 环境项目 | 项目要求标准 |
1. | 电源要求 | AC380V(4P)50-60Hz,空气开关 100A,电源电压波动范围 380V±10%以内 |
2. | 空气压缩机 | 使用螺杆式压缩机,储气罐,三级过滤,≥0.55Mpa,流量≥100L/min |
3. | 真空压力 | ≥0.6 mpa |
4. | 空气干燥机 | 必须有空气干燥机,带自动排水功能 |
5. | 环境噪音/振动 | ≤75dba |
6. | 地面要求 | 地面要求平整,稳固,最高点与最低点相差不超过 5mm |
7. | 环境湿度 | 建议 45%-65% |
8. | 气体水分含量 | 无水分 |
手机:13924586646 电话:0755-29423909
邮件:sz_jdsk@163.com